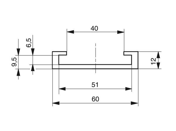
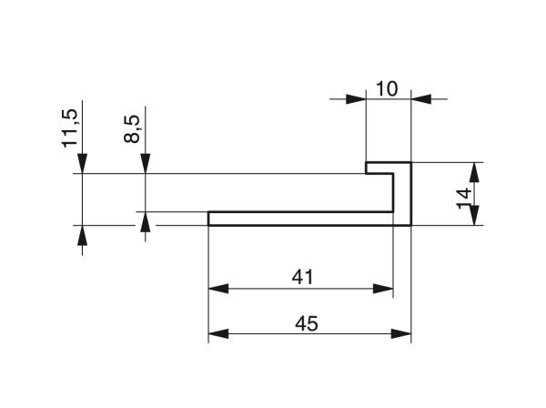
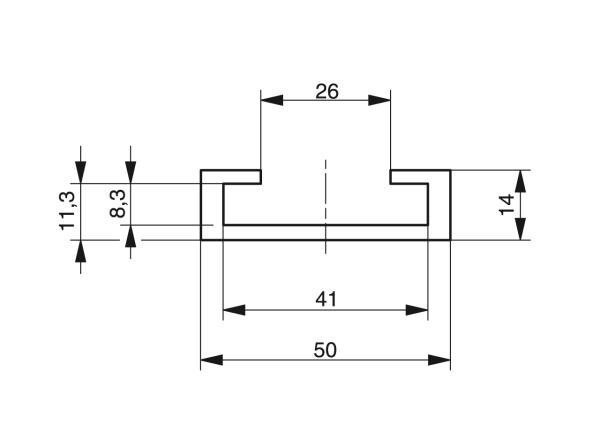
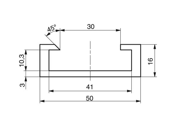
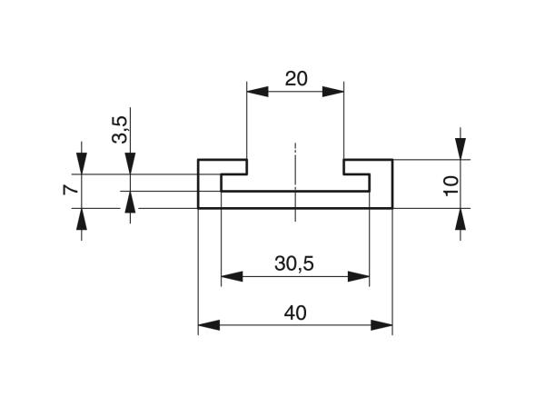
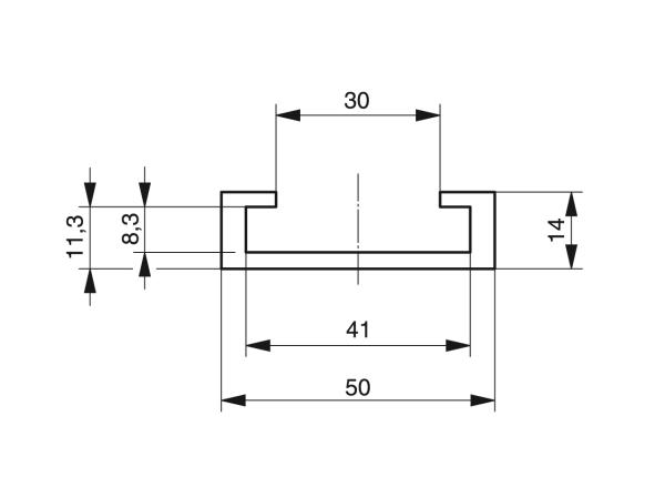
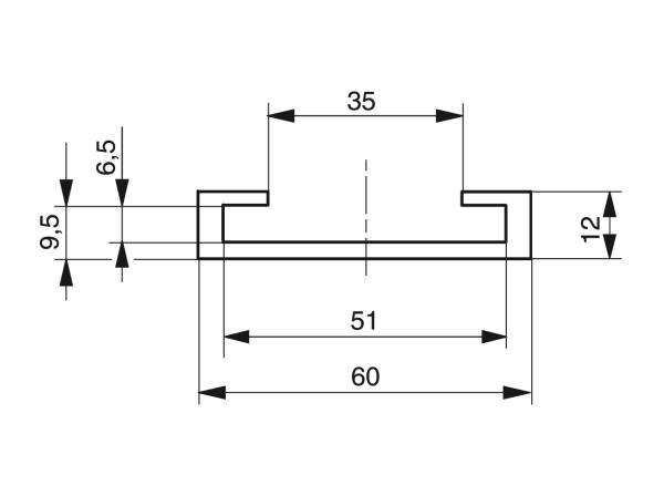
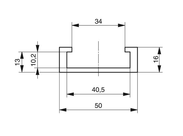
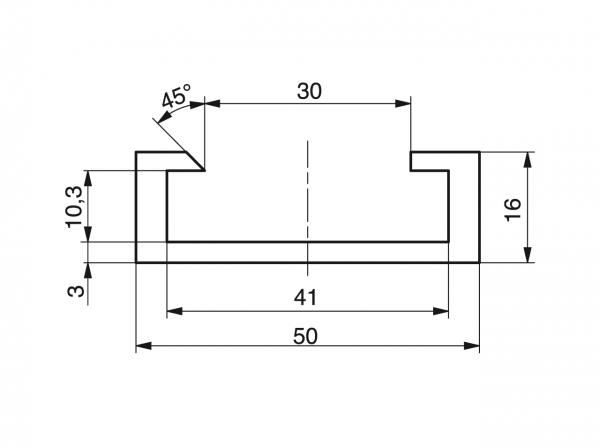
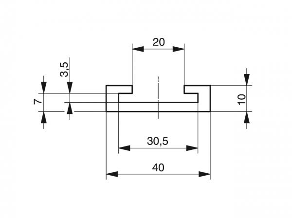
Perfiles encajables para acero plano

Para visualizar completamente esta área de productos debe seleccionar la representación de escritorio.
Para visualizar completamente esta área de productos debe cambiar al formato horizontal de su tableta.

- Para acero plano 30 x 3, fresado/extruido

- Para acero plano 40 x 8, fresado

- Para acero plano 40 x 8, extruido

- Para acero plano 40 x 10, fresado

- Para acero plano 40 x 10, extruido

- Para acero plano 50 x 6, fresado

- Para acero plano 50 x 6, extruido

- Perfil L de plástico para acero plano 40 x 8
